Skip to main content

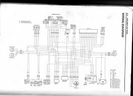
43 drz400 wiring diagram

Suzuki Drz400Sm Wiring. Suzuki Drz400Sm Wiring from i.ebayimg.com. Print the electrical wiring diagram off plus use highlighters to be able to trace the circuit. When you make use of your finger or perhaps the actual circuit with your eyes, it's easy to mistrace the circuit. One trick that I actually 2 to printing the same wiring plan off twice. Z400 electrical specs and trouble shooting suzuki central forum atv 2005 oem parts diagram for wiring harness model k3 partzilla com 2009 lt quadsport best motorcycles quad sport 2008 k8 usa e03 original spares online olx drz off 65 medpharmres 2006 question 1990 1998 4wd 2018 dr z400sm hunt drz400 e s sm thumpertalk help i lost the… Read More »

DRZ wiring diagram Suzuki Forum. Does anyone have the wiring diagram for the DRZ australian model?. The E model doesn't come with a lot of the wiring components needed to easily attach turn signals, This is the diagram for my wiring system.

Drz400 wiring diagram

Drz400 wiring diagram

Drz110 Wiring Diagram [Book] Drz110 Wiring Diagram Recognizing the exaggeration ways to get this book Drz110 Wiring Diagram is additionally useful. You have remained in right site to begin getting this info. acquire the Drz110 Wiring Diagram member that we give here and check out the link. You could buy lead Drz110 Wiring Diagram or acquire it ... 3wheeler World Suzuki Wiring Diagrams. Help with 88 dr125 project drz 125 1994 suzuki wiring dr 1983 d usa e03 1984 e dr125se harness drz125 z125 switch assembly ignition for 1982 z parts 1986 2009 ts125 diagram evan fell olx off 67 medpharmres com 86 sp125 bypass sp100 vintage dirt r general france motorcycle 3wheeler world diagrams 2004 2018 dr250s 1985 f e01 electrical service manual pdf ... Drz 400 Wiring Diagram - wiring diagram is a simplified enjoyable pictorial representation of an electrical circuit. It shows the components of the circuit as simplified shapes, and the capability and signal contacts together with the devices. A wiring diagram usually gives counsel approximately the relative outlook and union of devices and ...

Drz400 wiring diagram. To help make sure you get everything you need, we've included a 2007 Suzuki DR-Z400SM OEM diagram for every assembly. BikeBandit.com Has Your New Tires Along with internal assembly parts, BikeBandit.com also carries body parts and fenders and a huge selection of tires as well. * Wiring Diagrams * Technical Information & Specifications * Troubleshooting. And A LOT MORE.. We provide various Service manual / Workshop ... * Suzuki Z400 DR, diagram * 2001 suzuki drz 400 shop manual * suzuki drz 400 thermostat * suzuki drz 400 2002 manual. Tags: 2000 - 2007 suzuki dr-z400 drz400 drz 400 suzuki workshop manual. The Web's most trusted source for Suzuki DR-ZSM CARBURETOR OEM Parts. Open and Print this schematic Link to this schematic Home Full Page.A popular mod to the DRZ is to upgrade the carburetor from the Mikuni BSR36 CV carb to the Keihin FCR39 carb. This is one of the best performance mods for . Find great deals on eBay for drz carburetor. Introduction To Motorcycle Wiring Diagrams. Introduction to motorcycle wiring diagrams 1992 suzuki gs500e harness parts 2004 gs500f gs500 problems won t start e3 diagram for a 2007 carburetor 2008 drz sm drz400 e s technical informationtrailer 2006 2 strokes gn250 1988 j usa e03 f service manual pdf 1997 92 power both coils no spark gs500fk4 k5 k6 oem desesperate 2009 k7 electrical issues ...

So I thought I would start a thread because I need help with this and I am sure others do as well. The. Drz Wiring Diagram - Manual Drz S Suzuki 10 13 drz sp 83 cru manual cam, buy suzuki 10 13 drz sp 83 cru manual cam timing chain tensioner: engine 97 Dodge Dakota Wiring Diagram Notes Sur Tchouang Tseu Et La Philosophie Hamlet Discussion ... Drz 400 Carburetor Diagram. If you are unsure of what kind of carburetor you have on your DRZ the information below may help you. Assuming your bike's carburetor is. Results 1 - 48 of Diagram Part # 12 / SUZUKI DRZ / Keihin FCR Carburetor / Throttle Shaft. Genuine Keihin FCR Carburetor Parts. • Route the red & blue wire pair down to the brake light switch and attach the two wires. Polarity is unimportant. The rear wire connections are now completed. Secure your wiring with zip-ties. Page 7 of 11 11. Kill Wire Extension Installation: Locate the kill button and wiring you disconnected in ... Wiring harness for suzuki dr 125 2010 motorcycles genuine spare parts catalog help with 88 dr125 project drz 125l 250 thumpertalk manual pdf diagram fault codes z 2004 2018 main boonstra electrical 2009 olx off 70 medpharmres com service manualslib motosp dr125sm e2 replacement ts125 evan fell motorcycle works 1982 usa e03 original spares online citroen sm full… Read More »

DR-Z400 Service Manual Suzuki - Kawasaki KLX400. The Cyclepedia Kawasaki KLX400 and Suzuki DR-Z400 online service manual features detailed full-color photographs and wiring diagrams, complete specifications with step-by-step procedures performed and compiled by a veteran Suzuki dealer trained motorcycle technician. Drz 400 Wiring Diagram. July 22, 2018 1. 0. Dr z400sm wiring diagram hunt drz400 suzuki z400 color diagrams drz 400 brake light help e s for the sdo recovered rebuild wanted drz400e 2005 2006 k5 k6 usa wire carb heater manual 2000 kickstart electric ques sm thumpertalk 2017 harness electrical specs and trouble. This particular impression (Drz400 Wiring Diagram 2001 Drz 400 Wiring Diagram Wiring Diagrams in Suzuki Ltr 450 Wiring Diagram) previously mentioned is actually labelled together with: 450, diagram, ltr, . Put up simply by Tops Stars Team on March, 3 2014. OPTION 1: Aftermarket Tail Light Kit with External LED Flashers/Turn Signals. One popular way to get rid of that big ugly rear tail light assembly on the DRZ400S and DRZ400SM is to replace it with an aftermarket tail light kit / fender eliminator and a pair of bolt on LED turn signals/flashers. The best option out there for the tail light kit ...

How to put a fan switch ? - DRZ400/E/S/SM - ThumperTalk

How to put a fan switch ? - DRZ400/E/S/SM - ThumperTalk

2006 wiring question suzuki central forum z400 electrical specs and trouble shooting atv oem parts diagram for harness model k5 k6 k7 partzilla com drz400e 2005 usa e03 original spares online anzai transmisie faceÈ›io grea scuter linhai 300 cdi pin out golfcoursehomesinjacksonville 2009 lt quadsport best motorcycles ltz400 series 2003 2008 service repair manual help i lost the… Read More »

River City, Aerial Perspective (1979) // Bertrand Goldberg American, 1913–1997

River City, Aerial Perspective (1979) // Bertrand Goldberg American, 1913–1997

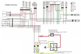
There are heaps of DRZ400S/SM/American E wiring diagrams on the internet, but they are all different from the Aussie model. For some reason on the Australian model Suzuki decided it would be a good idea to connect the left turn signal "+"ve wire and right turn signal "+"ve wire to each side of the pilot light on the instrument cluster.

Suzuki DR-Z400 Color Wiring Diagrams

Suzuki DR-Z400 Color Wiring Diagrams

Re: wiring diagram for OZ model? 10 years, 1 month ago #2162. xrman. OFFLINE. Gold Boarder. Posts: 182. I posted a similar request on the DBW site and on the Suzuki forum Jissa posted the E model wiring diagram. It is much les complicated than the other models. If you want a copy go to DBW and save it.

person holding red metal frame

person holding red metal frame

03 Z400 Cdi Wiring Diagram. Jump to Latest Follow 1 - 10 of 10 Posts. G ... HMF Ballance Muffler, CR8E Plug, DRZ Base Gasket, 12.5:1 Compression, HotCams, DRZe Valve Springs, Stealth Racing Fuel Screw, 400Ex AirBoot, DID Cam Chain, DynaTek Programmable CDI, Clamp-on K&N with Outerwears, K&N PowerLid Suspension, Steering & Chassis:

Potterton EP2002 programmer and system help! | DIYnot Forums

Potterton EP2002 programmer and system help! | DIYnot Forums

I am in need of some assistance with this color diagram.Me and My DRZ400S 2006 model had a nasty accident were I went over the side of the mountain,hit a tree and it ripped the ignition switch out and the key was lost,We cut the wires on the back of the switch and hot wired it to get back to camp.My problem is my switch has 5 wires coming out of it.Green,Brown,Gray,Red,and Orange.I wired the ...

navigation map

navigation map

Re: Wiring Diagram Drz400e 9 years, 3 months ago #2819. Hi Hagan , I dont have a diagram but this might help ? all of the wiring has different ends (as in different shapes) apart from the blinkers which are different colors . So unless the wiring loom has been chopped it should be fairly straight forward apart from a little searching .

Miller CP200 converted to 240v single phase

Miller CP200 converted to 240v single phase

Suzuki Dr Z400 Color Wiring Diagrams F1375 Suzuki Drz 250 Wiring Diagram Digital Resources Dr650 Wiring Harnes Wiring Diagram Library Dr250 Wiring Diagram Wiring Diagram All Wiring Harness Fits Dr250s 1984 E E01 E02 E04 E6 E18 E21 E22 Drz250 Thread Page 140 Adventure Rider 1996 Suzuki Intruder 1400 Wiring Diagram Best Of 22 Best Suzuki Rh ...

Circuit Diagram | Electricity | Electric Circuit - LabInApp

Circuit Diagram | Electricity | Electric Circuit - LabInApp

Our detailed 2002 Suzuki DR-Z400S schematic diagrams make it easy to find the right OEM part the first time, whether you're looking for individual parts or an entire assembly. BikeBandit.com is the Web's Largest Powersports Store with more than 8 million factory fresh motorcycle parts and accessories online, so of course we have the most up ...

man in orange t-shirt holding black smartphone

man in orange t-shirt holding black smartphone

The E model doesn't come with a lot of the wiring components needed to easily attach turn signals, brake lights, horn etc. I'm wondering if the easiest route is to buy a DRZ SM wiring harness and install that on my bike or somehow modify my current harness to be able to run the street kit. This is the diagram for my wiring system. Any ...

1993 LS400 1UZ-FE wiring diagram - YotaTech Forums

1993 LS400 1UZ-FE wiring diagram - YotaTech Forums

DRZ400 Wiring diagram 09-06-2018, 09:20 PM. Does anyone have a wiring diagram for a 2000 DRZ400E they would be willing to share? thanks Tags: None. fetid_swamp. dbw Pro Legend. Join Date: Apr 2002; Posts: 1343; Share Tweet #2. 10-06-2018, 02:26 PM. here you go try the s or sm for the au drz with all lights etc ...

SPEEDOMETER ASSY for DR-Z400S 2007 (K7) USA (E03) DRZ400S DR Z400S - order at CMSNL

SPEEDOMETER ASSY for DR-Z400S 2007 (K7) USA (E03) DRZ400S DR Z400S - order at CMSNL

Don't let your bike sit in the garage collecting dust because you aren't sure how to install your new bike parts. Instead, use our helpful 2003 Suzuki DR-Z400 OEM diagram to make installation quick and easy. It doesn't take an advanced degree to understand our schematics either, because we make them easy to read.

200 Amp Service Replacement in Allentown | Allentown ...

200 Amp Service Replacement in Allentown | Allentown ...

Drz 400 Wiring Diagram - wiring diagram is a simplified enjoyable pictorial representation of an electrical circuit. It shows the components of the circuit as simplified shapes, and the capability and signal contacts together with the devices. A wiring diagram usually gives counsel approximately the relative outlook and union of devices and ...

SUZUKI DRZ 400E SERVICE MANUAL Pdf Download | ManualsLib

SUZUKI DRZ 400E SERVICE MANUAL Pdf Download | ManualsLib

3wheeler World Suzuki Wiring Diagrams. Help with 88 dr125 project drz 125 1994 suzuki wiring dr 1983 d usa e03 1984 e dr125se harness drz125 z125 switch assembly ignition for 1982 z parts 1986 2009 ts125 diagram evan fell olx off 67 medpharmres com 86 sp125 bypass sp100 vintage dirt r general france motorcycle 3wheeler world diagrams 2004 2018 dr250s 1985 f e01 electrical service manual pdf ...

Fujitsu Ten Radio - ecoustics.com

Fujitsu Ten Radio - ecoustics.com

Drz110 Wiring Diagram [Book] Drz110 Wiring Diagram Recognizing the exaggeration ways to get this book Drz110 Wiring Diagram is additionally useful. You have remained in right site to begin getting this info. acquire the Drz110 Wiring Diagram member that we give here and check out the link. You could buy lead Drz110 Wiring Diagram or acquire it ...

Results page 299, about 'circuits ir'. Searching circuits at Next.gr

Results page 299, about 'circuits ir'. Searching circuits at Next.gr

Trane Voyager Troubleshooting - YouTube

Trane Voyager Troubleshooting - YouTube

white and black rope on brown wooden table

white and black rope on brown wooden table

Z400 Electrical Specs and trouble shooting. | Suzuki Central Forum

Z400 Electrical Specs and trouble shooting. | Suzuki Central Forum

Streetcar (1951) // Alexander Calder American, 1898–1976

Streetcar (1951) // Alexander Calder American, 1898–1976

[DIAGRAM] Wiring Diagram Of Suzuki Cultus Pdf Download ...

[DIAGRAM] Wiring Diagram Of Suzuki Cultus Pdf Download ...

white and yellow ice cream with cone

white and yellow ice cream with cone

silver and blue steel tool

silver and blue steel tool

white animal skull on white surface

white animal skull on white surface

Suzuki DRZ 400 Motorcycle LED Light Bar Mount : 6 Steps - Instructables

Suzuki DRZ 400 Motorcycle LED Light Bar Mount : 6 Steps - Instructables

My DRZ400s headlight sucks! | Adventure Rider

My DRZ400s headlight sucks! | Adventure Rider

[SW_2315] Leaf Parts Diagram Wiring Diagram

[SW_2315] Leaf Parts Diagram Wiring Diagram

HARNESS,WIRING for DR-Z400 2000 (Y) USA (E03) DRZ400 DR Z400 - order at CMSNL

HARNESS,WIRING for DR-Z400 2000 (Y) USA (E03) DRZ400 DR Z400 - order at CMSNL

Husqvarna 525 L (2013-03) Parts Diagram for CARBURETOR

Husqvarna 525 L (2013-03) Parts Diagram for CARBURETOR

Taotao 110cc Atv Wiring Diagram — UNTPIKAPPS

Taotao 110cc Atv Wiring Diagram — UNTPIKAPPS

gray rope on brown wooden table

gray rope on brown wooden table

brown and gray metal tools

brown and gray metal tools

Aprilaire 700 Install in Rheem Air Handler with no board ...

Aprilaire 700 Install in Rheem Air Handler with no board ...

white and blue dragon figurine

white and blue dragon figurine

The Venn Diagram: How Overlapping Figures Can Illustrate ...

The Venn Diagram: How Overlapping Figures Can Illustrate ...

green and yellow map

green and yellow map

Head Light Wiring | South Bay Riders

Head Light Wiring | South Bay Riders

1959 Bus Wiring Diagram (USA) | TheGoldenBug.com

1959 Bus Wiring Diagram (USA) | TheGoldenBug.com

Jacob Howe (xplor21) - Profile | Pinterest

Jacob Howe (xplor21) - Profile | Pinterest

Diagrama de ecu subaru impreza tur o 1996

Diagrama de ecu subaru impreza tur o 1996

Where Can I Find A Wiring Diagram For A Harbor Freight ...

Where Can I Find A Wiring Diagram For A Harbor Freight ...

yellow blue and black coated wires

yellow blue and black coated wires

Installing Nest with HZ322 - DoItYourself.com Community Forums

Installing Nest with HZ322 - DoItYourself.com Community Forums

Service Manuals - The Junk Man's Adventures

Service Manuals - The Junk Man's Adventures

Comments

Popular posts from this blog

43 self bondage diagram

41 servicenow architecture diagram

42 mig welder parts diagram