43 4 position rotary switch wiring diagram
AUDI Fault Codes DTC - Car PDF Manual, Wiring Diagram & Fault ... Jan 07, 2017 · Hi , I am looking for a wiring diagram for a Opel Corsa D 1.4 16V A14XER 2014 Facelift for front fog lights from switch to lights. It did not came with the lights. #202 SUZUKI - Motorcycles Manual PDF, Wiring Diagram & Fault Codes Feb 22, 2022 · Hi, does anyone have a wiring diagram for lexmoto assault efi 2019, the ignition switch they sell on cmpo doesn't fit to wiring loom on bike:))). They is a 6 pin plug with red, black and brown on bike and an 6 pin plug with red, black, green, black/white on ignition switch all of them in completely different positions.
Need wiring diagram for a 4 position rotary switch on a ... Need wiring diagram for a 4 position rotary switch on a barrel fan: General Electronics Chat: 0: Jul 19, 2019: G: Need help desiging a wiring diagram: General Electronics Chat: 17: Feb 3, 2019: R: Need help translating wiring diagram for compresser - it's German I think: General Electronics Chat: 3: Jul 26, 2018: P: Need circuit diagram and ...

4 position rotary switch wiring diagram
4 position rotary switch wiring diagram — gallery of 4 ... 4 position rotary switch wiring diagram. HQRP 4-Position 3-Speed Rotary Switch with Knob; 4 Postion Rotary Easy quick connect wire termination for quick and painless installs (just. 4 Position 3 speed Fan Selector rotary switch with Knob.·Adding solder to your wire ends and tinning them will make the connection a little more secure and Switch Wire Diagram : 4 Position Rotary Switch Wiring ... 4 Pole 3 Way Rotary Switch Wiring Diagram - The Wiring 3 4 1 pole without jumper—Feasible Ampere Rating : The number of poles per deck is the number of separate circuits that can be activated through a rotary switch per deck. 3 Way Switch Wiring Diagram. 4 Way Switch Wiring with Light First. This is shown by the text "3|4" in the centre. 4 position rotary switch wiring diagram - Premium 5 ... 4 Position Selector Switch Wiring Diagram Collection ... Size: 109.13 KB. Dimension: 728 x 452. DOWNLOAD. Wiring Diagram Pics Detail: Name: 4 position selector switch wiring diagram - Circuit Breaker Wiring Diagram Brilliant 3 Position Selector Switch Wiring Diagram Symbols Circuit Breaker 34. File Type: JPG. Source: hopescottcalligraphy.com. Size: 256.07 KB.
4 position rotary switch wiring diagram. Rotary Switches - StewMac Rotary Switches. 5 and 6-position rotary switches for custom wiring, PRS guitars and Varitone circuits. 5-position: 4-pole switch for Paul Reed Smith® guitars, or other custom wiring and pickup combinations. 2 Position Switch Wiring Diagram - easywiring Gallery Of 4 Position Rotary Switch Wiring Diagram Sample. This is a completed circuit. The following is the simple schematic of a three-wire 2-Way Switch wiring. By wiring a 2-way switch The circuit below shows the basic concept of electricity flow to the load. Each component ought to be set and linked to different parts in specific manner. 4 Position 3 Speed Fan Selector Rotary Switch Wiring Diagram There are no wiring diagrams or instructions for the new switch. HQRP 4-Position 3-Speed Rotary Switch with Knob; 4 Postion Rotary Easy quick connect wire termination for quick and painless installs (just. I am attempting to replace a Lasko box fan 3 speed rotary switch. I am confused because the replacement switch only has 4 input . Switch Position Diagram Wiring Rotary 4 [WGAIP1] Search: 4 Position Rotary Switch Wiring Diagram. About 4 Rotary Position Switch Wiring Diagram
Gallery Of 4 Position Rotary Switch Wiring Diagram Sample Variety of 4 position rotary switch wiring diagram. A wiring diagram is a streamlined conventional pictorial representation of an electric circuit. It reveals the elements of the circuit as streamlined forms, as well as the power and signal links between the gadgets. 4 Diagram Position Wiring Switch Rotary [S0NMU4] Search: 4 Position Rotary Switch Wiring Diagram. About Wiring Switch Position Diagram 4 Rotary How to Wire A 2 Pole 4 Position Rotary Switch - YouTube LIKE, COMMENT, SUBSCRIBE.2 Pole 4 Position rotary switch design, easily turned rotary switch, Widely used on radio, TV, industrial machine control unit, or o... How to Wire Rotary Switches - Hunker Step 1. Find the rotary switch's "1" output terminal for each input terminal. Some rotary switches have labels stamped into the housing next to the terminals. If not, turn the switch to the "1" position. Place one ohm meter probe on the input terminal and touch the output terminals with the ohm meter's second probe until the meter reads continuity.
Switch Position Diagram Rotary Wiring 4 [0SD56K] Search: 4 Position Rotary Switch Wiring Diagram. About Switch Diagram Rotary 4 Position Wiring 4 Position Switch Wiring Diagram - easywiring 4 Position Ignition Switch Wiring Diagram wiring diagram is a simplified welcome pictorial representation of an electrical circuitIt shows the components of the circuit as simplified shapes and the skill and signal friends surrounded by the devices. I am attempting to replace a Lasko box fan 3 speed rotary switch. Three Must-Try Guitar Wiring Mods - Premier Guitar Jul 22, 2014 · A 3-position bass-cut switch. The wiring is similar for a bass-cut switch, but with one key difference: While the treble-cut routes signal to ground, a bass-cut must be inserted within the signal flow, just as in the PTB project above. The signal comes in via the left-middle lug, and exits via the right-middle one, as shown in Photo 3e. Also, I ... 3 Way Rotary Switch Wiring Diagram - Studying Diagrams 4 Pole 3 Position Rotary Switch Wiring Diagram wiring diagram is a simplified agreeable pictorial representation of an electrical circuit. The circuit consists of a two way switch at each end top and bottom switches in Fig 2 and an intermediate switch in the middle.
4 Wire Switch Wiring Diagram - Wiring World 4 wire switch wiring diagram. Variety of 4 position rotary switch wiring diagram. If you know how to wire a 3-way switch, you will have no problems with a 4-way switch. Two-wire cable is run from the light to SW1 and 3-wire cable runs between the three switches.
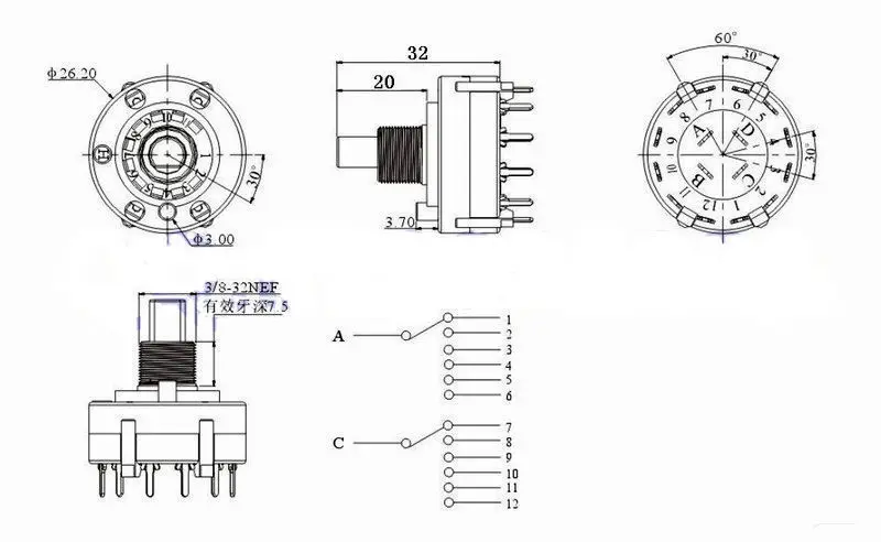
PDF How to use a Rotary Switch - University of Surrey The rotary switch pictured in Fig. 2a is a 3 pole 4 way switch. This is shown by the text "3|4" in the centre. The 'poles' are the three legs in the centre and the 'ways' are the legs around the outside. The 'ways' are grouped together in sets of four legs and each set corresponds to one 'pole' - hence the name 3 pole 4 way ...
4 Pole 3 Way Rotary Switch Wiring Diagram - Wiring Space Variety of 4 position rotary switch wiring diagram. 4 Way Switch Wiring with Light First. The rotary switch pictured in Fig. 9 as switch support only. CONNECTING DIAGRAM 1 to 12 pole 1 3 5 7 9 111315 171921 23 2 4 6 8 10 12 14 16 18 20 22 24. Jan 9, 2019 - Stunning 4 Way Switch Wiring Diagrams Light In The Middle s ..
Gibson EB3 4 position rotary switch wiring diagrams ... Gibson EB3 4 position rotary switch wiring diagrams Discussion in 'Pickups & Electronics [BG]' started by Chaz Ellison, Dec 15, 2018. Dec 15, 2018 #1. Chaz Ellison. May 30, 2014. I searched the web looking for a wiring diagram for a 4 position 3 pole switch in order to fabricate a wiring harness like the ones that were used in the EB3's in the ...
Tower Mfg Corp Rotary Switch Wiring Diagram 120V Tower Mfg Rotary Switch 4 Position 3A 6A Fan Heater. Tower Mfg Corp Rotary Switch Wiring Diagram - One of the most hard automotive fix tasks that a mechanic or fix shop can receive is the wiring, or rewiring of a car's electrical system. The misery in point of fact is that every car is different. taking into account aggravating to ...
Wiring 4 Diagram Rotary Switch Position [R4OV16] Installing a 4 way light switch is more complicated and is much easier done during new construction 15 Luxury Lawn Mower Ignition Switch Wiring Diagram Caution: A temporary momentary switch or jump- HQRP 4-Position 3-Speed Rotary Switch with Knob; 4 Postion Rotary Easy quick connect wire termination for quick and painless installs (just Bridge ...

VictorsHome Changeover Switch LW28-20 3 Positions 8 Terminals Universal Rotary Cam Selector Latching Switches 550V 20A
Guitar Wiring Site Diagram D shows the middle position of a highly specialized type of DPDT center-on switch. Here the common terminals connect as shown in the diagram. Some refer to this as a "DPDT on/on/on switch" but as you can see, the switch in Diagram C could be referred to in the same way. The biggest use of this switch is for wiring humbuckers in series ...
On/Off Switch & LED Rocker Switch Wiring Diagrams | Oznium Jun 12, 2018 · LED rocker switch wiring diagram. For the LED rocker switch, pay careful attention to the position of your ground, power and acc pins, follow the diagram below, (it uses Oznium’s LED Round Rocker Switch with recommended mounting hole diameter of 3/4″) and you should have no problems wiring a LED rocker switch:
2 Pole 4 Way Rotary Switch Connection - Diagram Sketch 2 Pole 4 Way Rotary Switch Connection. angelo on November 19, 2021. 2 Humbuckers 3 Way Toggle Switch 1 Volume 1 Tone Series Parallel Series Parallel Toggle Switch Switch. Household Wiring Diagram Australia The Home Electrical Wiring Diagrams Start From This Main Light Switch Wiring 3 Way Switch Wiring Electrical Wiring Diagram. Pin By Inter ...
4 Position Switch Wiring Diagram - Diagram Sketch 4 Position Switch Wiring Diagram. angelo on December 25, 2021. Wiring Diagram 4 Way Switch Multiple Lights Light Switch Wiring Electrical Circuit Diagram Electrical Wiring Diagram. Wiring Diagram Of House. On Off Switch Led Rocker Switch Wiring Diagrams Oznium Boat Wiring Electricity Automotive Repair. Pin On Rinker.
4 Position Rotary Switch Wiring Diagram - Studying Diagrams 4 Position Ignition Switch Wiring Diagram wiring diagram is a simplified welcome pictorial representation of an electrical circuitIt shows the components of the circuit as simplified shapes and the skill and signal friends surrounded by the devices.
4 Position Switch Wiring Diagram - The Wiring 4 position switch wiring diagram. 4-way switch configurations are used to control lights with three or more switches.A 3-way switch is used on each end with one or more 4-way switches in between the two 3-way switches.They do not have an on/off position like single pole switches.Is There A Way To Diagnose Ceiling Fan 3 Speed Switch Wires 4 Position 3 Speed Fan Selector Rotary Switch Wiring ...
Basic Circuit Function | carlingtech.com You would move the rocker or toggle actuator to the center position to set the switch to OFF, where all switching circuits would be opened. You would press the bottom of the rocker or move a toggle downward to set the switch to the second ON position. ON-OFF-(ON) The ON-OFF-(ON) circuit is a momentary, double throw, three-position switch circuit.
How Rotary Encoder Works and Interface It with Arduino A rotary encoder is a type of position sensor that converts the angular position (rotation) of a knob into an output signal that is used to determine what direction the knob is being rotated. Due to their robustness and fine digital control; they are used in many applications including robotics, CNC machines and printers.
4 Pole Rotary Switch Wiring Diagram - U Wiring 4 Pole 3 Position Rotary Switch Wiring Diagram wiring diagram is a simplified agreeable pictorial representation of. The poles are the three legs in the centre and the ways are the legs around the outside. 2 Pole Contactor Wiring Diagram. 3 Pole 4 Way Rotary Switch Wiring Diagram Three Multiple Lights And With A For 1043760 - Wiring Diagrams.
4 Rotary Diagram Position Switch Wiring [43D6R2] Search: 4 Position Rotary Switch Wiring Diagram. About Wiring Rotary 4 Switch Diagram Position
4 Position 3 Speed Fan Selector Rotary Switch Wiring Diagram 4 Position 3 Speed Fan Selector Rotary Switch Wiring Diagram. HQRP 4-Position 3-Speed Rotary Switch with Knob; 4 Postion Rotary Easy quick connect wire termination for quick and painless installs (just. 4 Position 3 speed Fan Selector rotary switch with Knob. ·Adding solder to your wire ends and "tinning" them will make the connection a little ...
Rotary 4 Wiring Diagram Switch Position [MUGYND] Search: 4 Position Rotary Switch Wiring Diagram. About Wiring Rotary Position Diagram Switch 4
4 Position Selector Switch Wiring Diagram Collection ... Size: 109.13 KB. Dimension: 728 x 452. DOWNLOAD. Wiring Diagram Pics Detail: Name: 4 position selector switch wiring diagram - Circuit Breaker Wiring Diagram Brilliant 3 Position Selector Switch Wiring Diagram Symbols Circuit Breaker 34. File Type: JPG. Source: hopescottcalligraphy.com. Size: 256.07 KB.
4 Pole 3 Way Rotary Switch Wiring Diagram - The Wiring 3 4 1 pole without jumper—Feasible Ampere Rating : The number of poles per deck is the number of separate circuits that can be activated through a rotary switch per deck. 3 Way Switch Wiring Diagram. 4 Way Switch Wiring with Light First. This is shown by the text "3|4" in the centre. 4 position rotary switch wiring diagram - Premium 5 ...
4 position rotary switch wiring diagram — gallery of 4 ... 4 position rotary switch wiring diagram. HQRP 4-Position 3-Speed Rotary Switch with Knob; 4 Postion Rotary Easy quick connect wire termination for quick and painless installs (just. 4 Position 3 speed Fan Selector rotary switch with Knob.·Adding solder to your wire ends and tinning them will make the connection a little more secure and Switch Wire Diagram : 4 Position Rotary Switch Wiring ...
Comments
Post a Comment