42 troy bilt bronco riding mower belt diagram
13AL78BS023 - Troy-Bilt Bronco 42" Lawn Tractor, Auto ... Repair parts and diagrams for 13AL78BS023 - Troy-Bilt Bronco 42" Lawn Tractor, Auto (2019) How to replace a drive belt on a troy-bilt bronco lawn mower This video on how to replace a drive belt on a troy-bilt bronco lawn mower #troy bilt lawn mower belt replacement, #troy bilt lawn mower belt loose, #troy bi...
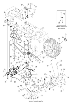
13WX78KS011 - Troy-Bilt Bronco Lawn Tractor (2012) Parts ... Troy-Bilt; Riding Mowers; 13WX78KS011 - Troy-Bilt Bronco Lawn Tractor (2012) Parts & Diagrams Parts Lists & Diagrams. Bronco Lawn Tractor. 13WX78KS011 - Troy-Bilt Bronco Lawn Tractor (2012) > Parts Diagrams (10) Hide .Quick Reference. Drive & Rear Wheels. Engine Accessories. Frame & PTO Lift.

Troy bilt bronco riding mower belt diagram
42 troy bilt mower drive belt diagram - Wiring Diagram Images Troy bilt mower drive belt diagram. Troy-Bilt 42-in Drive Belt for Riding Mower/Tractors (15-in L) Item # 144217 Model # 490-501-M052 Fits 42 In. decks- Troy-Bilt and MTD 600 series lawn tractors (except AutoDrive Step-Thru frame models) 2003 and after As a result, the clutch won't engage, and the lawn mower blades won't rotate. 7 de dez. Troy Bilt Bronco Wiring Diagram - Wiring Diagram Troy Bilt 13Wv78Ks011 Bronco (2015) Parts Diagram For Wiring Schematic - Troy Bilt Bronco Wiring Diagram. Wiring Diagram comes with several easy to stick to Wiring Diagram Instructions. It's intended to aid all of the typical consumer in creating a suitable system. These directions will likely be easy to comprehend and use. Troy Bilt 13YX78KS011 Bronco (2013) Parts Diagrams Troy Bilt 13YX78KS011 Bronco (2013) Exploded View parts lookup by model. Complete exploded views of all the major manufacturers. It is EASY and FREE
Troy bilt bronco riding mower belt diagram. Troy Bilt Bronco Riding Mower Belt Diagram Troy-Bilt Bronco, Belt broke and I don't know how to route around the pulleys. - Toro Power Lawn. SOURCE: Troy-bilt bronco riding lawn mower choke problem. Check your air cleaner then check fuel line from pump. Pull fuel line off carb. Troy Bilt 13WX78KS Bronco () Drive & Transmission Parts Diagram . PLUG DECK HOLE 7/8 $ 36 A Upper Drive Belt. Troy-Bilt 42-in Drive Belt for Riding Mower/Tractors (15 ... Troy-Bilt 42-in Drive Belt for Riding Mower/Tractors (15-in L) Item # 144217 Model # 490-501-M052 Fits 42 In. decks- Troy-Bilt and MTD 600 series lawn tractors (except AutoDrive Step-Thru frame models) 2003 and after Troy Bilt 46 Inch Riding Mower Belt Diagram - Diagram ... Rzt series tractor (72 pages). Snapper riding mower belt replacement diagram. I called troybilt to make sure the replacement belt was correct. Draw a diagram of how the belt routes around the pulleys on the mower deck. Fits lawn tractors and garden tractors with 46 inch decks, 2009 and prior. Gallery of Troy Bilt 46 Inch Riding Mower Belt Diagram Bronco, Bronco 42" Troy-Bilt Riding Lawn Mower ... Find parts for your Bronco, Bronco 42" Troy-Bilt Riding Lawn Mower. Parts diagrams and manuals available. Free shipping on parts orders over $45.
How to Replace the Upper Drive Belt on a 42-Inch Troy-Bilt ... The upper drive belt on the 42-inch Troy-Bilt lawn mower is the only serviceable drive belt on the mower deck. It drives the mower blades via a pulley system mounted on the deck and under the engine. The belt is a Kevlar V-groove belt that will eventually wear out. This is evident by the cracking on the V-groove side of the belt. Troy Bilt Bronco Riding Mower Belt Diagram - schematron.org Troy Bilt 13WX78KS Bronco () Drive & Transmission Parts Diagram . PLUG DECK HOLE 7/8 $ 36 A Upper Drive Belt. Troy Bilt 13WX78KS Bronco () Mower Deck Inch Exploded View parts lookup by model. Complete exploded views of all the major manufacturers. This is how you remove and change the deck belt on your Troy-Bilt riding lawn mower. Troy Bilt Bronco Riding Mower Deck Diagram - Diagrams ... Troy Bilt Bronco Riding Mower Deck Diagram. Jack Jacobs September 7, 2021. 21 Gallery Of Troy Bilt Bronco Riding Mower Deck Diagram. Troy Bilt Bronco Riding Mower Deck Belt Diagram. Troy Bilt Bronco Mower Deck Diagram. Troy Bilt Bronco Mower Deck Belt Diagram. Troy Bilt Pony Riding Mower Deck Diagram. Troy-Bilt Parts Diagrams - Troy-Bilt: Lawn Mowers, Snow ... Lookup Parts by Diagram. Use our parts diagram tool below to find the parts you need for your machine. Select the model and year, then browse the parts diagrams to find the right part. Add to cart when you're ready to purchase and we'll ship it to you as soon as possible! Financing Now Available for Online Purchases.*. Learn More.
Drive Belt Diagram Troy Bilt Bronco - schematron.org troy built super bronco: replacing drive belts and deck belt. got correct length and type. short drive belt and mower deck belt were easy but i have forgotten the routing method for the long drive . Troy Bilt Bronco Drive Belt Diagram ~ thank you for visiting our site, this is images about troy bilt bronco drive belt diagram posted by Brenda ... Troy Bilt 13wv78ks011 Drive Belt Diagram - Diagram World Troy Bilt 13WX78KS Bronco Mower Deck Inch Exploded View parts lookup by model. Troy bilt 13wv78ks011 drive belt diagram. Troy Bilt 13WV78KS011 Bronco 2015 Parts Diagrams. This is how you remove and change the deck belt on your Troy-Bilt riding lawn mower. Troy Bilt 13WX78KS011 Bronco 2011 Drive Transmission Parts Diagram. Belt Diagram For Troy Bilt Bronco Mower - inmialand How To Replace The Forward Drive Belt On A Troy Bilt Super Bronco Tiller Part 954 04090 Tiller Bronco Troy . Troy Bilt 13wx78ks011 Parts List And Diagram Bronco 2011 Ereplacementparts Com Yard Machine Riding Mower Craftsman Lawn Mower Parts . Mower Deck Of The Troy Bilt Bronco Displaying Mower Deck Parts For The Troy Bilt 13wx78ks011 Bronco ... Drive Belt Diagram Troy Bilt Bronco diagramweb.net - Order Genuine Troy-Bilt Parts for the Troy-Bilt 13AX60TG - Troy-Bilt Super Bronco Lawn Tractor Mowers: lawn & garden tractor. Easy Ordering, Fast Shipping and Great Service! Your Preferred Source for Lawn and Garden Equipment Parts.Change drive belt on troy bilt bronco model 13wv78ks - FixyaTroy Bilt Bronco Drive Belt Diagram ...
Troy Bilt 13an17tg77 Riding Mower Wiring Diagram Complete exploded views of all the major manufacturers.need a diagram of how to route a belt on a troy bilt riding lawn mower (deck belt) not drive belt. THANKS type in your model number to your search engine. find your model and the diagrams . The following troy bilt lawn tractor wiring diagram graphic have been authored. Youll be able to get ...
Troy Bilt 13wx78ks011 Belt Diagram 13WX78KS Bronco (). Page 1 of 22 For Discount Troy Bilt Parts Call or . Belt, v Typ, 5l X Lg Poly. 1. /P. Troy Bilt 13WX78KS Bronco Drive & Transmission Parts Diagram . KEEPER ASM BELT No Longer Available. USE We have parts, diagrams, accessories and repair advice to make your tool Troy -Bilt 13WX78KS (Bronco) Lawn Tractor Parts ..
How to Tighten Belt on Troy Bilt Riding Mower ... Tighten up Your Troy Bilt Riding Mower Belt Now! Tightening the belt of your Troy Bilt riding mower may feel like a very easy deed. But if you don't follow the right steps, it could actually become a massive headache. Don't worry, though. You can always follow our advice and steps to make it happen.
Troy Bilt 13WV78KS011 Bronco (2015) Parts Diagrams Troy Bilt 13WV78KS011 Bronco (2015) Parts Diagrams. Parts Lookup - Enter a part number or partial description to search for parts within this model. There are (349) parts used by this model. CAP VINYL .29 X .
38 Troy Bilt Bronco Riding Mower Wiring Diagram - Diagram ... 42 troy bilt mower drive belt diagram - Wiring Diagram Images Troy bilt mower drive belt diagram. Troy-Bilt 42-in Drive Belt for Riding Mower/Tractors (15-in L) Item # 144217 Model # 490-501-M052 Fits 42 In. decks- Troy-Bilt and MTD 600 series lawn tractors (except AutoDrive Step-Thru frame models) 2003 and after As a result, the clutch won't ...
How To Change Drive Belt On Troy Bilt Bronco Riding Mower ... Troy Bilt are well known for their highly durable professional riding mowers. One of the most popular of these has been the Bronco. But even the most expertly designed components need replacing at times. To replace a drive belt on a Troy Bilt Bronco Riding Mower, there are six steps you should take. In summary, these are: Make the mower safe
Troy Bilt 42 Inch Deck Belt Diagram - Diagrams : Resume ... Troy Bilt Bronco Mower Deck Belt Diagram. Troy Bilt Bronco Riding Mower Deck Belt Diagram. Troy Bilt 46 Mower Deck Diagram. Mtd Gold 42 Inch Deck Belt Diagram. Troy Bilt Bronco Mower Deck Diagram. Troy Bilt Horse Mower Deck Diagram. Troy Bilt Lawn Mower Deck Diagram. Troy Bilt Mower Deck Parts Diagram.
Troy Bilt Pony 42 Deck Belt Diagram - Diagram Finder The Troy Bilt Pony 42 deck belt is designed to connect the crankshaft to the lawn mower blade and cause them to turn. If you notice a problem with your mower blades or the deck belt, you might need the setup diagram to help you put things in order.
Diagram Troy Bilt Mower Deck [GP7H62] Search: Troy Bilt Mower Deck Diagram. About Bilt Deck Troy Mower Diagram
How to Replace the Drive Belt on a Troy-Bilt Lawn Tractor ... Troy-Bilt Riding Mower Belt Replacement. How to Attach a Mower Deck to a Cub Cadet 149. How to Tighten the Deck Drive Belt for a John Deere LA105. How to Fix a Sinkhole in a Lawn.
Troy-Bilt Super Bronco 50 XP Riding Lawn Mower - YouTube #troy-bilt-super-bronco #ridinglawnmowerTroy-Bilt Super Bronco 50 XP™ Lawn Tractor - as I received if from Lowes Hardware delivery. Delivery guy Jacques gave...
Troy Bilt 13YX78KS011 Bronco (2013) Parts Diagrams Troy Bilt 13YX78KS011 Bronco (2013) Exploded View parts lookup by model. Complete exploded views of all the major manufacturers. It is EASY and FREE
Troy Bilt Bronco Wiring Diagram - Wiring Diagram Troy Bilt 13Wv78Ks011 Bronco (2015) Parts Diagram For Wiring Schematic - Troy Bilt Bronco Wiring Diagram. Wiring Diagram comes with several easy to stick to Wiring Diagram Instructions. It's intended to aid all of the typical consumer in creating a suitable system. These directions will likely be easy to comprehend and use.
42 troy bilt mower drive belt diagram - Wiring Diagram Images Troy bilt mower drive belt diagram. Troy-Bilt 42-in Drive Belt for Riding Mower/Tractors (15-in L) Item # 144217 Model # 490-501-M052 Fits 42 In. decks- Troy-Bilt and MTD 600 series lawn tractors (except AutoDrive Step-Thru frame models) 2003 and after As a result, the clutch won't engage, and the lawn mower blades won't rotate. 7 de dez.
Comments
Post a Comment